مدار یکسوسازی را معکوس کنید، یک سر آن را به جریان مستقیم (DC) وصل کنید و سر دیگر آن می تواند جریان متناوب (AC) را خارج کند. این یک اینورتر است، دستگاهی که جریان مستقیم را به جریان متناوب تبدیل می کند.
اکثر بارهای تجاری، صنعتی و مسکونی نیاز به برق متناوب دارند، اما برق AC را نمی توان در باتری ها ذخیره کرد و ذخیره باتری برای تامین برق پشتیبان مهم است. امروزه می توان این عیب را با منبع تغذیه DC برطرف کرد.
قطبیت برق DC در طول زمان مانند برق AC تغییر نمی کند، بنابراین برق DC را می توان در باتری ها و ابرخازن ها ذخیره کرد. بنابراین می توانیم ابتدا برق متناوب را به برق DC تبدیل کرده و سپس آن را در باتری ذخیره کنیم. به این ترتیب، هر زمان که برق متناوب برای کارکرد لوازم AC مورد نیاز باشد، برق DC دوباره به برق AC برای کارکرد لوازم AC تبدیل می شود.
اینورترها با توجه به منبع ورودی، روش اتصال، شکل موج ولتاژ خروجی و ... اپلیکیشن به 17 دسته اصلی زیر تقسیم می شوند.
1. طبقه بندی بر اساس منبع ورودی
ورودی یک اینورتر می تواند یک منبع ولتاژ یا یک منبع جریان باشد، بنابراین به اینورتر منبع ولتاژ (VSI) و مبدل منبع جریان (CSI) تقسیم می شود.
اینورتر منبع ولتاژ (VSI)
هنگامی که ورودی اینورتر یک منبع ولتاژ DC ثابت باشد، اینورتر اینورتر منبع ولتاژ نامیده می شود.
ورودی اینورتر منبع ولتاژ دارای یک منبع ولتاژ DC صلب با امپدانس صفر است. در واقع امپدانس منبع ولتاژ DC را می توان نادیده گرفت. با فرض اینکه VSI توسط یک منبع ولتاژ ایده آل (منبع امپدانس بسیار کم) تغذیه می شود، ولتاژ خروجی AC کاملاً توسط وضعیت دستگاه های سوئیچینگ در اینورتر و منبع تغذیه DC اعمال شده تعیین می شود.
اینورتر منبع جریان (CSI)
هنگامی که ورودی اینورتر یک منبع جریان DC ثابت باشد، اینورتر اینورتر منبع جریان نامیده می شود.
جریان صلب از منبع تغذیه DC به CSI، جایی که منبع تغذیه DC امپدانس بالایی دارد، تامین میشود. معمولاً از سلف های بزرگ یا جریان های کنترل حلقه بسته برای تأمین جریان های صلب استفاده می شود. موج جریان حاصل صلب است و تحت تأثیر بار قرار نمی گیرد. جریان خروجی AC به طور کامل توسط دستگاه های سوئیچینگ در اینورتر و وضعیت منبع تغذیه DC اعمال شده تعیین می شود.
2. طبقه بندی بر اساس فاز خروجی
اینورترها با توجه به فاز ولتاژ و جریان خروجی به دو دسته اینورتر تک فاز و اینورتر سه فاز تقسیم می شوند.
اینورتر تک فاز
اینورتر تک فاز ورودی DC را به خروجی تک فاز تبدیل می کند. ولتاژ/جریان خروجی یک اینورتر تک فاز فقط یک فاز دارد و فرکانس اسمی آن ولتاژ نامی 50 هرتز یا 60 هرتز است.
ولتاژ اسمی به عنوان سطح ولتاژی که سیستم الکتریکی در آن کار می کند تعریف می شود. ولتاژهای نامی مختلفی وجود دارد، یعنی 120 ولت، 220 ولت، 440 ولت، 690 ولت، 3.3 کیلو ولت، 6.6 کیلو ولت، 11 کیلو ولت، 33 کیلو ولت، 66 کیلو ولت، 132 کیلو ولت، 220 کیلو ولت، 400 کیلو ولت و 765 کیلو ولت. ولتاژ اسمی پایین را می توان مستقیماً از طریق استفاده از ترانسفورماتورهای داخلی یا اینورترهای دارای مدارهای بوست و باک بدست آورد، در حالی که برای ولتاژ نامی بالا از ترانسفورماتورهای تقویت کننده خارجی استفاده می شود.
از اینورترهای تک فاز برای بارهای کم استفاده می شود. تلفات تک فاز بیشتر است و راندمان تک فاز کمتر از اینورترهای سه فاز است. بنابراین، اینورترهای سه فاز برای بارهای بالا انتخاب ارجح هستند.
اینورتر سه فاز
اینورتر سه فاز جریان مستقیم را به برق سه فاز تبدیل می کند. منبع تغذیه سه فاز، سه کانال برق متناوب را با زوایای فاز به طور یکنواخت از هم جدا می کند. دامنه و فرکانس هر سه موج تولید شده در انتهای خروجی یکسان است، اما به دلیل بارگذاری کمی متفاوت است و هر موج دارای یک شیفت فاز 120 درجه بین یکدیگر است.
اصولا یک اینورتر سه فاز از سه اینورتر تک فاز تشکیل شده است که هر یک از اینورترها 120 درجه فاصله فاز دارند و هر اینورتر تک فاز به یکی از سه ترمینال بار متصل است.
3. طبقه بندی شده توسط تکنولوژی کموتاسیون
با توجه به تکنولوژی کموتاسیون، می توان آن را به دو نوع اصلی تقسیم کرد: کموتاسیون خط و اینورتر کموتاسیون اجباری. علاوه بر این، اینورترهای کموتاسیون کمکی و اینورترهای کموتاسیون مکمل می توانند وجود داشته باشند، اما از آنجایی که معمولاً مورد استفاده قرار نمی گیرند، در اینجا به طور خلاصه به دو نوع اصلی خواهیم پرداخت.
معکوس خط
در این نوع اینورترها می توان ولتاژ خط مدار AC را از طریق تجهیزات به دست آورد. هنگامی که جریان در SCR ویژگی های صفر را تجربه می کند، دستگاه خاموش می شود. به این فرآیند کموتاسیون، کموتاسیون خط و اینورترهایی که بر اساس این اصل کار می کنند، اینورترهای کموتاسیون خط می گویند.
جابجایی اجباری
در این نوع کموتاسیون نقطه صفر در منبع تغذیه وجود نخواهد داشت. به همین دلیل برای اصلاح دستگاه به منابع خارجی نیاز است. این فرآیند کموتاسیون را کموتاسیون اجباری و اینورترهای مبتنی بر این فرآیند را اینورترهای کموتاسیون اجباری می نامند.
4. طبقه بندی شده توسط روش اتصال
با توجه به روش اتصال تریستورها در مدار، می توان آن را به اینورترهای سری، اینورترهای موازی و اینورترهای پل تقسیم کرد که از این میان اینورترهای پل به نیم پل، پل کامل و پل سه فاز تقسیم می شوند.
اینورتر سری
یک اینورتر سری از یک جفت تریستور و مدارهای RLC (مقاومت، اندوکتانس و خازن) تشکیل شده است. یک تریستور به صورت موازی با مدار RLC و یک تریستور به صورت سری بین منبع تغذیه DC و مدار RLC متصل می شود. به این نوع اینورتر اینورتر سری می گویند زیرا بار مستقیماً به کمک تریستور به صورت سری با منبع تغذیه DC متصل می شود.
اینورترهای سری به اینورترهای خود کموتاسیون نیز معروف هستند زیرا تریستورهای این نوع اینورترها توسط بار خود کموتاسیون می شوند. نام دیگر این اینورتر «اینورتر کموتاسیون بار» است. دلیل گذاشتن این نام این است که LCR باری است که کموتاسیون را فراهم می کند.
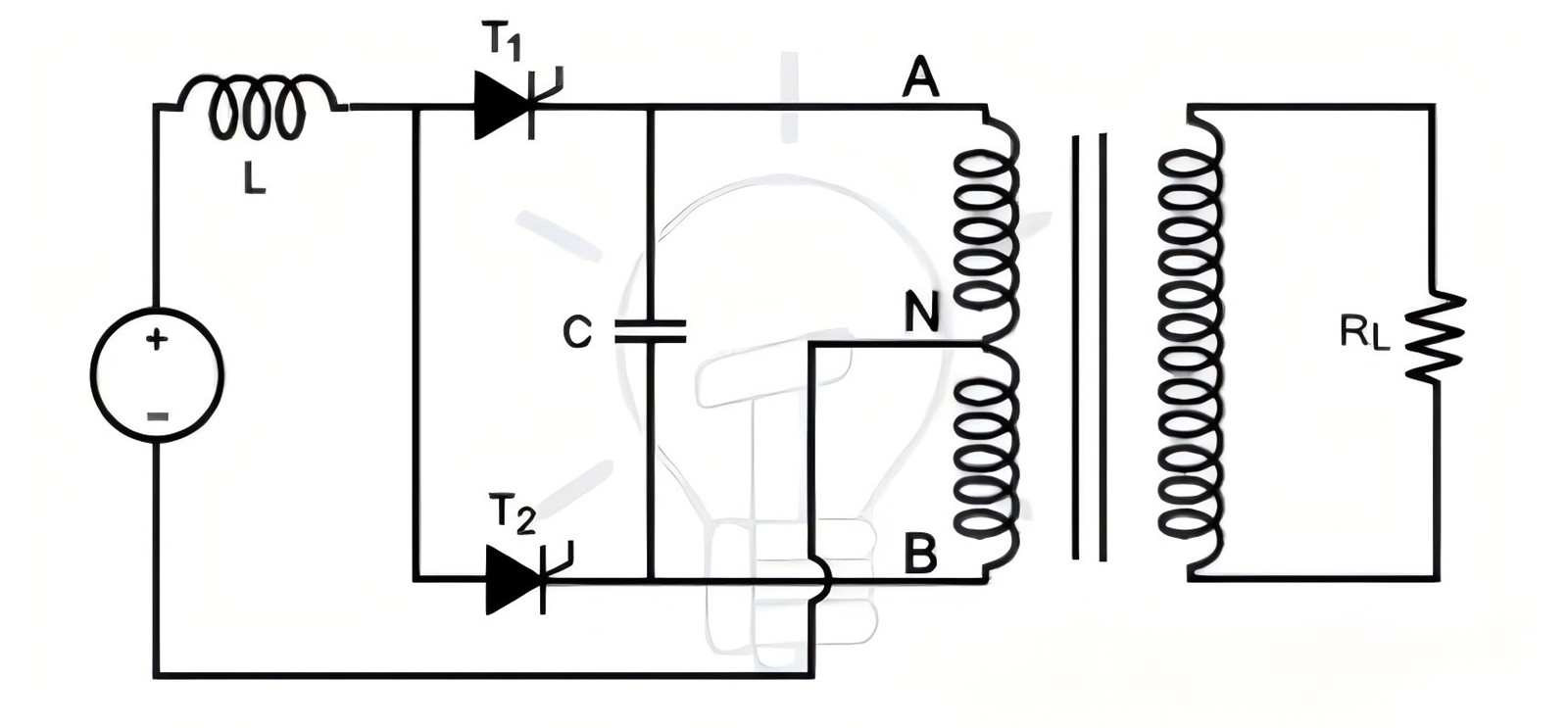
اینورتر موازی
یک اینورتر موازی از دو تریستور، یک خازن، یک ترانسفورماتور شیر مرکزی و یک سلف تشکیل شده است. تریستورها برای ارائه مسیری برای جریان جریان استفاده می شوند، در حالی که سلف ها برای ثابت نگه داشتن منبع جریان استفاده می شوند. هدایت و خاموش شدن این تریستورها توسط خازن های کموتاسیون متصل بین آنها کنترل می شود.
اینورتر موازی نامیده می شود زیرا در حین کار، خازن به موازات بار از طریق ترانسفورماتور متصل می شود.

اینورتر نیم پل
اینورتر نیم پل برای کار به دو کلید الکترونیکی نیاز دارد. سوئیچ ها می توانند ماسفت، IJBT، BJT یا تریستور باشند.نیم پل با سوئیچ تریستور و BJT به دو دیود اضافی به جز بارهای مقاومتی خالص نیاز دارد، در حالی که ماسفت ها دارای دیودهای داخلی هستند. به طور خلاصه، دو کلید برای پاسخگویی به بارهای مقاومتی خالص کافی است، در حالی که بارهای دیگر (سلف و خازن) به دو دیود اضافی نیاز دارند. به این دیودها دیودهای بازخورد یا دیودهای آزاد چرخ می گویند.
اصل کار یک اینورتر نیم پل برای همه کلیدها یکسان است، اما در اینجا به بحث نیم پل با کلیدهای تریستوری می پردازیم. دو تریستور مکمل وجود دارد که به معنای هدایت یک تریستور در یک زمان است. برای بارهای مقاومتی، مدار در دو حالت عمل می کند. فرکانس سوئیچینگ فرکانس خروجی را تعیین می کند. هنگامی که فرکانس خروجی 50 هرتز باشد، هر تریستور یک بار به مدت 20 میلی ثانیه هدایت می شود.

اینورتر پل کامل
یک اینورتر پل کامل تک فاز دارای چهار کلید کنترل شده است که برای کنترل جهت جریان در بار استفاده می شود. این پل دارای 4 دیود فیدبک است که می تواند انرژی ذخیره شده در بار را به منبع تغذیه برگرداند. این دیودهای بازخورد فقط زمانی عمل می کنند که تمام تریستورها خاموش باشند و بار فقط یک بار مقاومتی نباشد.

برای هر بار، فقط 2 تریستور در یک زمان کار می کنند. تریستورهای T1 و T2 در یک چرخه هدایت خواهند کرد، در حالی که T3 و T4 در چرخه دیگر هدایت خواهند شد. به عبارت دیگر، وقتی T1 و T2 در حالت ON هستند، T3 و T4 در حالت OFF هستند، در حالی که وقتی T3 و T4 در حالت ON هستند، دو مورد دیگر در حالت OFF هستند. باز کردن دو یا چند تریستور به طور همزمان می تواند باعث اتصال کوتاه شود، گرمای بیش از حد تولید کند و بلافاصله مدار را بسوزاند.
اینورتر پل سه فاز
بارهای سنگین صنعتی و دیگر نیاز به منبع تغذیه سه فاز دارند. به منظور کار با این بارهای سنگین از دستگاه های ذخیره سازی یا سایر منابع برق DC، یک اینورتر سه فاز مورد نیاز است. برای این منظور می توان از اینورتر پل سه فاز استفاده کرد.
اینورتر پل سه فاز نوع دیگری از اینورتر پل است که از 6 کلید کنترل شده و 6 دیود تشکیل شده است که در شکل نشان داده شده است.

5. طبقه بندی بر اساس حالت عملیاتی
با توجه به حالت کار، اینورترها به سه دسته اصلی تقسیم می شوند:
اینورتر مستقل
اینورتر مستقل مستقیماً به بار متصل است و توسط سایر منابع برق قطع نخواهد شد. اینورتر مستقل یا «اینورتر حالت خاموش شبکه»، اینورتر به طور مستقل و بدون تأثیر شبکه یا سایر منابع برق، توان بار را تأمین میکند.
این اینورترها اینورترهای حالت خاموش نامیده می شوند زیرا تحت تأثیر شبکه برق قرار نمی گیرند. این اینورترها را نمی توان به شبکه برق وصل کرد زیرا قابلیت همگام سازی ندارند، جایی که همگام سازی فرآیند تطبیق فاز و فرکانس اسمی (50/60 هرتز) دو منبع برق AC است.
اینورتر متصل به شبکه
اینورترهای متصل به شبکه یا اینورترهای متصل به شبکه (GTI) دو عملکرد اصلی دارند. یکی از عملکردهای اینورترهای متصل به شبکه، تامین برق متناوب از دستگاههای ذخیرهسازی (منابع برق DC) به بارهای AC است، در حالی که عملکرد دیگر اینورترهای متصل به شبکه، تامین برق اضافی به شبکه است.
اینورترهای متصل به شبکه، همچنین به عنوان اینورترهای تعاملی ابزار، اینورترهای اتصال به شبکه یا اینورترهای بازخورد شبکه شناخته می شوند، فرکانس و فاز جریان را برای انطباق با شبکه برق همگام می کنند. با افزایش سطح ولتاژ اینورتر، برق از منبع تغذیه DC به شبکه برق منتقل می شود.
اینورتر دو پیک
اینورتر پیک دوگانه می تواند هم به عنوان یک اینورتر متصل به شبکه و هم به عنوان یک اینورتر مستقل عمل کند. این اینورترها میتوانند انرژی اضافی را از منابع انرژی تجدیدپذیر و دستگاههای ذخیرهسازی به شبکه تزریق کنند و زمانی که انرژی تولید شده توسط انرژیهای تجدیدپذیر ناکافی است، برق را از شبکه بازیابی کنند. به عبارت دیگر، این اینورترها می توانند به عنوان اینورتر مستقل و اینورتر متصل به شبکه با توجه به نیاز بار عمل کنند. اینورترهای پیک دوگانه چند منظوره هستند، از جمله عملکرد اینورترهای مستقل و اینورترهای متصل به شبکه.
عملکرد یک اینورتر پیک دوگانه با بار متفاوت خواهد بود. در صورت بروز مشکل در شبکه برق یا زمانی که توان انرژی تجدیدپذیر برای پاسخگویی به بار کافی باشد، عملکرد آن به یک اینورتر مستقل تغییر می کند (اینورتر مستقل می شود). در این حالت سوئیچ انتقال اینورتر را از شبکه جدا می کند.
هنگامی که انرژی تجدیدپذیر شروع به تولید انرژی اضافی کند، حالت عملیاتی از حالت مستقل به حالت متصل به شبکه تغییر خواهد کرد. اینورتر فاز و فرکانس خود را با اینورتر هماهنگ می کند و شروع به تزریق انرژی اضافی به شبکه می کند.
6. طبقه بندی بر اساس شکل موج خروجی
اینورتر ایده آل به اینورتر اطلاق می شود که سیگنال های DC را به خروجی های AC سینوسی خالص تبدیل می کند. مشکل اینورترهای واقعی این است که سیگنال های خروجی آنها کاملاً سینوسی نیستند. با توجه به شکل موج خروجی، اینورترها به سه دسته تقسیم می شوند:
اینورتر موج مربعی
اینها ساده ترین اینورترها برای تبدیل جریان مستقیم به جریان متناوب هستند، اما شکل موج خروجی موج سینوسی خالص مورد نیاز نیست. این اینورترها دارای امواج مربعی در انتهای خروجی هستند. به عبارت دیگر اینورترها ورودی DC را به صورت موج مربعی به AC تبدیل می کنند. در همین حال، اینورترهای موج مربعی نیز ارزان تر هستند.
ساده ترین ساختار این اینورترها می تواند اینورتر پل H باشد. همانطور که در شکل نشان داده شده است، قبل از اینکه ترانسفورماتور به نسخه ساده تری دست یابد، با استفاده از سوئیچ های SPDT (یک فشار دوبار پرتاب) می توان به آن دست یافت. این ترانسفورماتور همچنین به دستیابی به هر سطح ولتاژ خروجی مطلوب کمک می کند.

عملکرد یک مدل معین بسیار ساده است. روشن و خاموش کردن کلید به طور همزمان باعث تغییر جریان در ترمینال خروجی می شود. به عبارت دیگر، تعویض پرتاب دو قطبی تک قطبی در فرکانس مورد نظر، امواج مربعی AC را در خروجی یک اینورتر معمولی (یعنی ترانسفورماتور شیر مرکزی) تولید می کند. اعوجاج هارمونیک یک موج سینوسی معمولی حدود 45 درصد است که می توان با استفاده از فیلترها برای فیلتر کردن برخی هارمونیک ها بیشتر کاهش داد.
اینورتر شبه سینوسی
اینورتر شبه سینوسی، همچنین به عنوان اینورتر موج سینوسی اصلاح شده با امواج سینوسی پلکانی شناخته می شود. به عبارت دیگر، سیگنال های خروجی این اینورترها به تدریج در قطب مثبت افزایش می یابد. همانطور که در شکل نشان داده شده است، پس از رسیدن به اوج مثبت، سیگنال خروجی به تدریج کاهش می یابد تا به اوج منفی برسد.

ساختار یک اینورتر شبه موج سینوسی بسیار ساده تر از یک اینورتر موج سینوسی خالص است، اما پیچیده تر از یک اینورتر موج مربعی خالص است.
اگرچه شکل موج خروجی نهایی این اینورترها یک موج سینوسی خالص نیست، اما همچنان اعوجاج هارمونیک خروجی به 24 درصد کاهش می یابد. فیلتر کردن اعوجاج را بیشتر کاهش می دهد، اما میزان اعوجاج همچنان قابل توجه است. به همین دلیل، این اینورترها برای راندن بارهای مختلف از جمله مدارهای الکترونیکی گزینه مطلوبی نیستند.
امواج شبه سینوسی ممکن است برای همیشه به دستگاه های الکترونیکی دارای تایمر در مدار آسیب برساند. اگر به یک اینورتر موج سینوسی شبه وصل شود، تمام وسایل الکتریکی دارای موتور به اندازه وسایل متصل به یک اینورتر موج سینوسی خالص کارایی لازم را نخواهند داشت. علاوه بر این، انتقال سریع شکل موج ممکن است باعث ایجاد نویز شود. با توجه به این مسائل، کاربرد اینورترهای شبه سینوسی محدود است.
اینورتر موج سینوسی خالص
یک اینورتر سینوسی خالص DC را به AC سینوسی تقریبا خالص تبدیل می کند. شکل موج خروجی یک اینورتر موج سینوسی خالص هنوز یک موج سینوسی ایده آل نیست، اما بسیار نرمتر از اینورترهای موج مربعی و شبه سینوسی است.
شکل موج خروجی یک اینورتر موج سینوسی خالص دارای هارمونیک های بسیار کم است. هارمونیک ها امواج سینوسی با مضرب های فرد فرکانس بنیادی دامنه های مختلف هستند. هارمونیک ها بسیار محبوب نیستند زیرا می توانند مشکلات جدی در وسایل برقی مختلف ایجاد کنند. با استفاده از تکنیک های مختلف PWM و سپس عبور سیگنال خروجی از یک فیلتر پایین گذر، می توان این هارمونیک ها را بیشتر کاهش داد.

ساخت و بهره برداری از اینورترهای موج سینوسی خالص بسیار پیچیده تر از اینورترهای موج مربعی و موج مربعی اصلاح شده است.
این اینورترها نسبت به دو اینورتر اول برتری دارند زیرا اکثر تجهیزات الکتریکی برای عملکرد بهتر به امواج سینوسی خالص نیاز دارند. همانطور که قبلا ذکر شد، اینورترهای موج مربعی یا موج شبه سینوسی می توانند به وسایل الکتریکی، به ویژه آنهایی که مجهز به موتور هستند، آسیب بزنند. بنابراین برای استفاده عملی از اینورتر سینوسی خالص استفاده می شود.
7. طبقه بندی شده بر اساس تعداد سطوح خروجی
سطح خروجی هر اینورتر می تواند حداقل دو یا بیشتر باشد. با توجه به تعداد سطوح خروجی، اینورترها به دو دسته اینورترهای دو سطحی و اینورترهای چند سطحی تقسیم می شوند.
اینورتر دو سطح
یک اینورتر دو سطحی دارای دو سطح خروجی است. ولتاژ خروجی متناوب بین مثبت و منفی است و در فرکانس اصلی (50 هرتز یا 60 هرتز) متناوب می شود.
برخی از به اصطلاح اینورترهای دو سطحی دارای سه سطح در شکل موج خروجی خود هستند. دلیل طبقه بندی اینورترهای سه سطحی به این دسته این است که یکی از سطوح ولتاژ صفر است. در واقع، صفر سطح سوم است، اما همچنان به عنوان یک اینورتر دو مرحله ای طبقه بندی می شود.
مدار اینورتر دو سطحی شامل یک منبع و چند کلید است که جریان یا ولتاژ را کنترل می کنند. با توجه به محدودیتهای تلفات سوئیچ و رتبهبندی دستگاه، عملکرد اینورترهای دو سطحی با فرکانس بالا در کاربردهای ولتاژ بالا محدود شده است. با این حال، مقدار امتیاز سوئیچ را می توان از طریق ترکیب های سری و موازی افزایش داد. به گروهی از کلیدهایی که نیم سیکل مثبت را در یک اینورتر دو سطحی ارائه می کنند، سوئیچ گروه مثبت و به دسته دیگر کلیدهایی که نیم سیکل منفی را ارائه می دهند، سوئیچ گروه منفی می گویند.
به دلایل زیر، اینورتر دو سطح ترجیح داده نمی شود. اینورترها برای کارکردن و تبدیل توان در مراحل ولتاژ کوچک به حداقل تعداد کلیدها و منابع برق نیاز دارند. یک پله ولتاژ کوچکتر، شکل موج های با کیفیتی را ارائه می دهد. علاوه بر این، همچنین می تواند تنش ولتاژ (dv/dt) و مشکلات سازگاری الکترومغناطیسی روی بار را کاهش دهد. بنابراین، اینورترهای چند سطحی اولین انتخاب کاربردی تر هستند.
اینورتر چند سطحی (MLI)
یک اینورتر چند سطحی سیگنال های DC را به شکل موج های پله ای چند سطحی تبدیل می کند. شکل موج خروجی یک اینورتر چند سطحی مستقیماً متناوب مثبت و منفی نیست، بلکه متناوب چند سطحی است. با توجه به اینکه صافی شکل موج با تعداد سطوح ولتاژ نسبت مستقیم دارد. بنابراین، اینورترهای چند سطحی، شکل موج های نرم تری تولید می کنند. همانطور که قبلا ذکر شد، این ویژگی آن را برای کاربردهای عملی مناسب می کند.
نتیجه گیری:
این مقاله به معرفی 17 نوع اصلی اینورتر می پردازد، اما در واقع، اینورترها طبقه بندی های بسیار دیگری نیز دارند. به عنوان مثال، اینورترهای چند سطحی را می توان به اینورترهای خازن پرنده (FCMI)، اینورترهای گیره دار دیودی (DCMI) و اینورترهای پل H آبشاری تقسیم کرد.
از منظر کاربرد عملی، اینورترهای سه فاز برای کاربردهای بار بالا مناسب هستند، اینورترهای سینوسی خالص بهتر می توانند از وسایل الکتریکی محافظت کنند و اینورترهای چند سطحی گزینه های کاربردی تری هستند.





